電話:0713-2115858
0713-2115868
0713-2115866
0713-2117622
電話:0713-2115858
0713-2115868
0713-2115866
0713-2117622


信號輸出方式: NO-常開輸出 通路報警:(當磁鐵靠近開關,干簧管觸點閉合,信號線接通。如門被打開,磁鐵離開開關,干簧管觸點斷開,信號線中斷。) NC-常閉輸出 斷路報警:(當磁鐵靠近開關,干簧管觸點斷開,信號線中斷。如門被打開,磁鐵離開開關,干簧管觸點閉合,信號線接通。) NO-NC 常開常閉型 (三線式,轉換輸出)
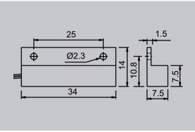
產品特點: 方形外殼,安裝方裝; 觸點密封,可用于惡劣環境,性能穩定,壽命超長; 待機時不消耗功率,是電池供電設備理想開關選擇; 磁場靈敏范圍、外殼顏色、線纜端子和線長均可自定義; 有常開、常閉、高壓常開觸點方式可選擇。
應用范圍: LED燈負載控制 位置與端點感測 活塞末端行程與位置感測 門窗控制 液位感測 |